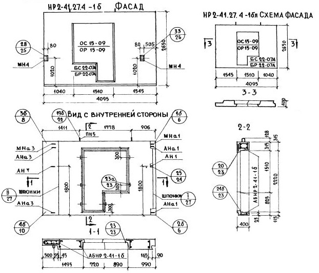
НР2-41.27.4-1б

Чертеж изделия:
Чертеж НР2-41.27.4-1б
Характеристики изделия:
ПараметрЗначение
Длина4095 мм
Ширина400 мм
Высота2650 мм
Масса4310 кг
Нормативный документСерия 1.132-1

НР2-41.27.4-1б   Наружная стеновая панель рядовая по Серии 1.132-1.